Приводы постоянного тока TG Drive DC200 - Техногрупп
Приводы постоянного тока TG Drive DC200

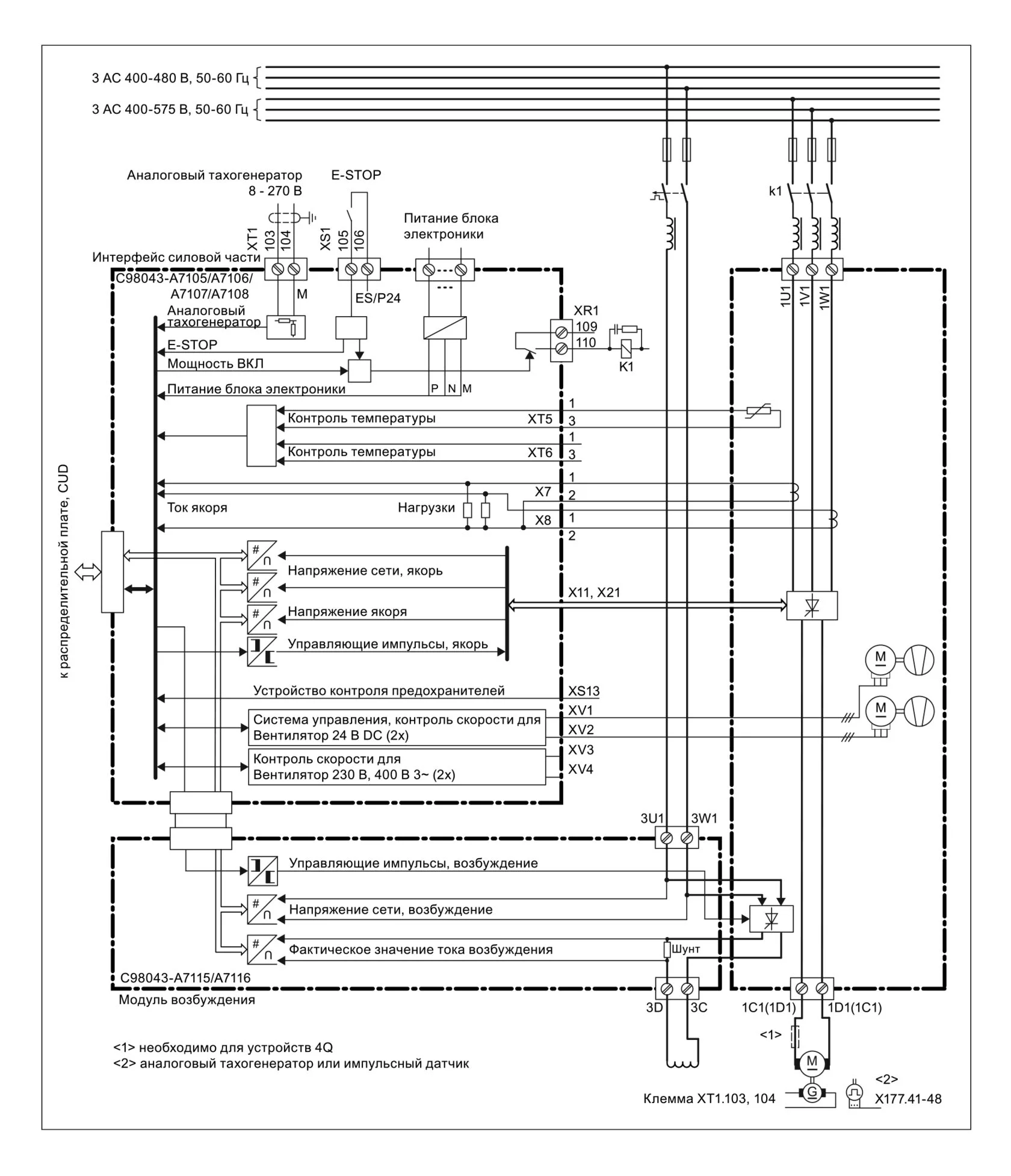
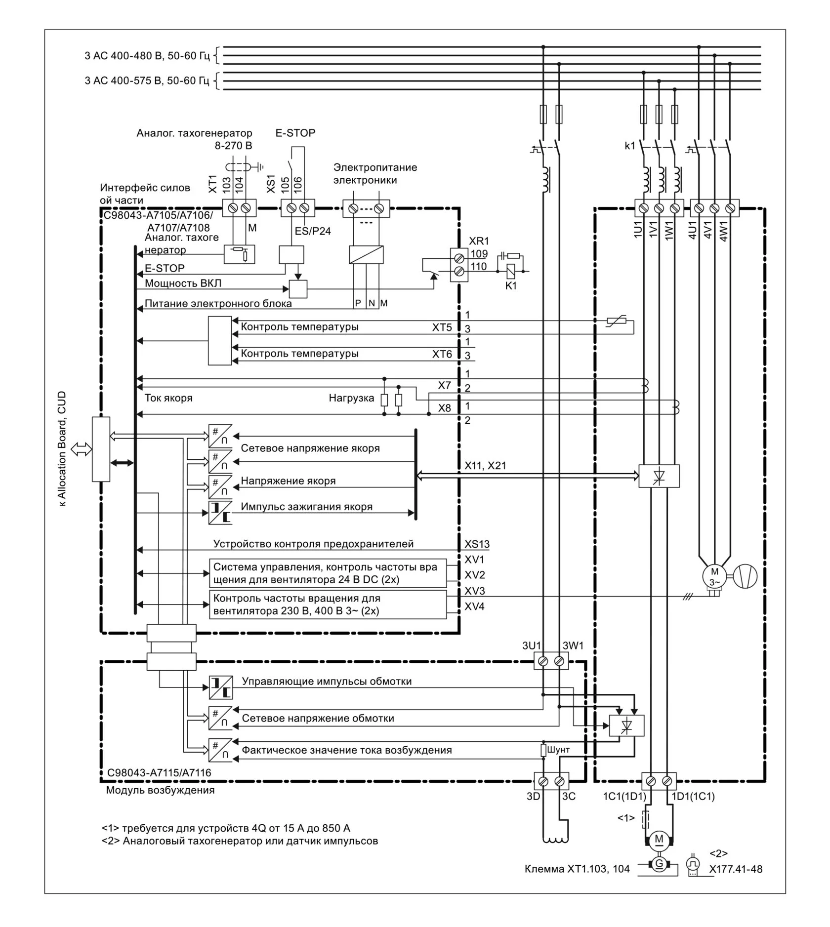
DC200 — компактное устройство с силовыми блоками якорной цепи и обмотки возбуждения, модулем управления, а также дополнительными модулями.

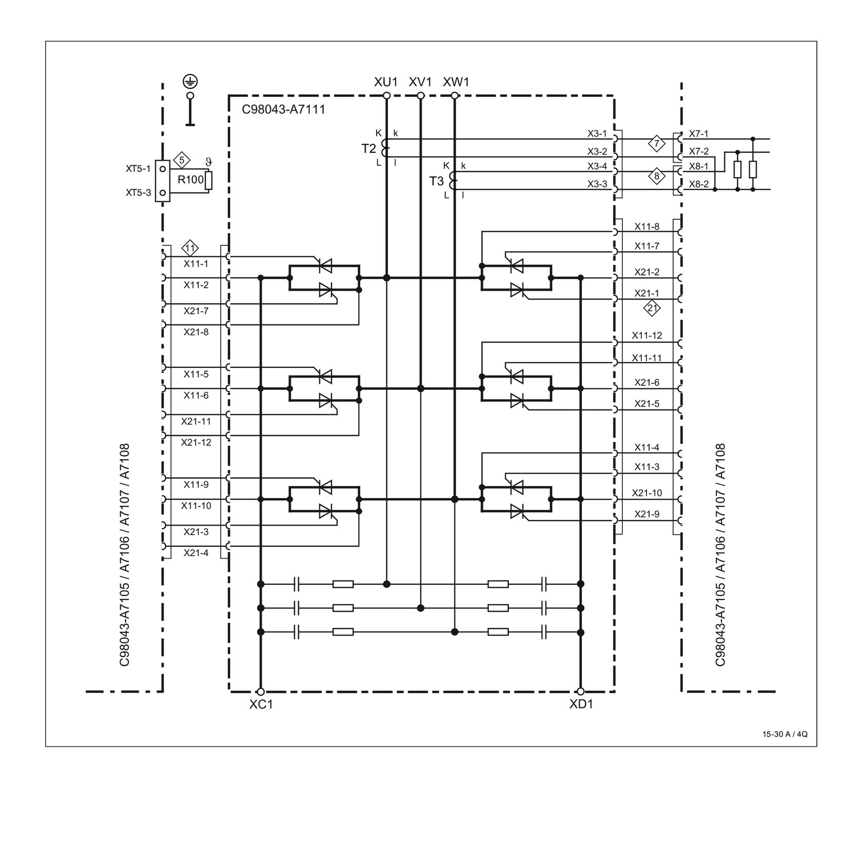
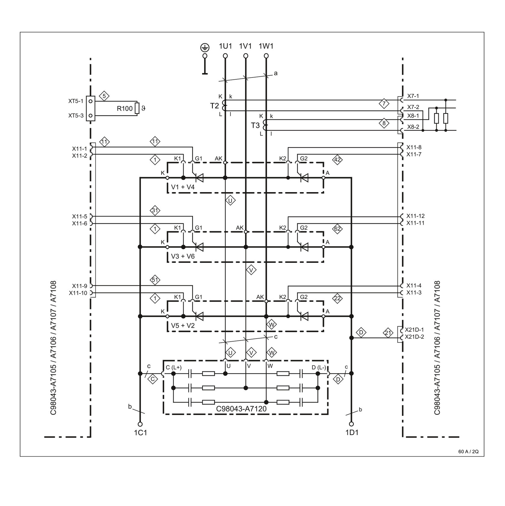
В зависимости от применения доступны преобразователи для двухквадрантного или четырехквадрантного режимов работы и встроенная силовая часть цепи возбуждения.

Запросить
Напряжение питания
3 AC 400 ~ 950 В
Колебания напряжения
-20%~+10%
Номинальная частота
50 Гц или 60 Гц ±2%
Максимальный выходной ток одного устройства
3000 A
Перегрузочная способность
100% ~ 180%
Окружающая температура 5°C ~ 40°C
Нормальное использование
Окружающая температура 40°C ~ 50°C
Использование с пониженной мощностью
Высота над уровнем моря ≤1000 м
Без потери мощности
Высота над уровнем моря > 1000 м
С пониженной мощностью
Степень защиты
IP00
Приводы постоянного тока TG Drive DC200
Металлургия
Металлургия
Горнодобывающая промышленность
Горнодобывающая промышленность
Производство минеральных удобрений
Производство минеральных удобрений
1

Может полностью заменить приводы SIEMENS 6RA70 и SIEMENS 6RA80

2

TG Drive DC200 является автономным благодаря встроенному параметрирующему устройству и не требует дополнительного оборудования для параметрирования

3

Все функции, связанные с управлением по разомкнутому и замкнутому контуру, а также все функции контроля и вспомогательные функции выполняются микропроцессорной системой

4

Заданные и действительные значения могут быть введены в аналоговом или дискретном виде

5

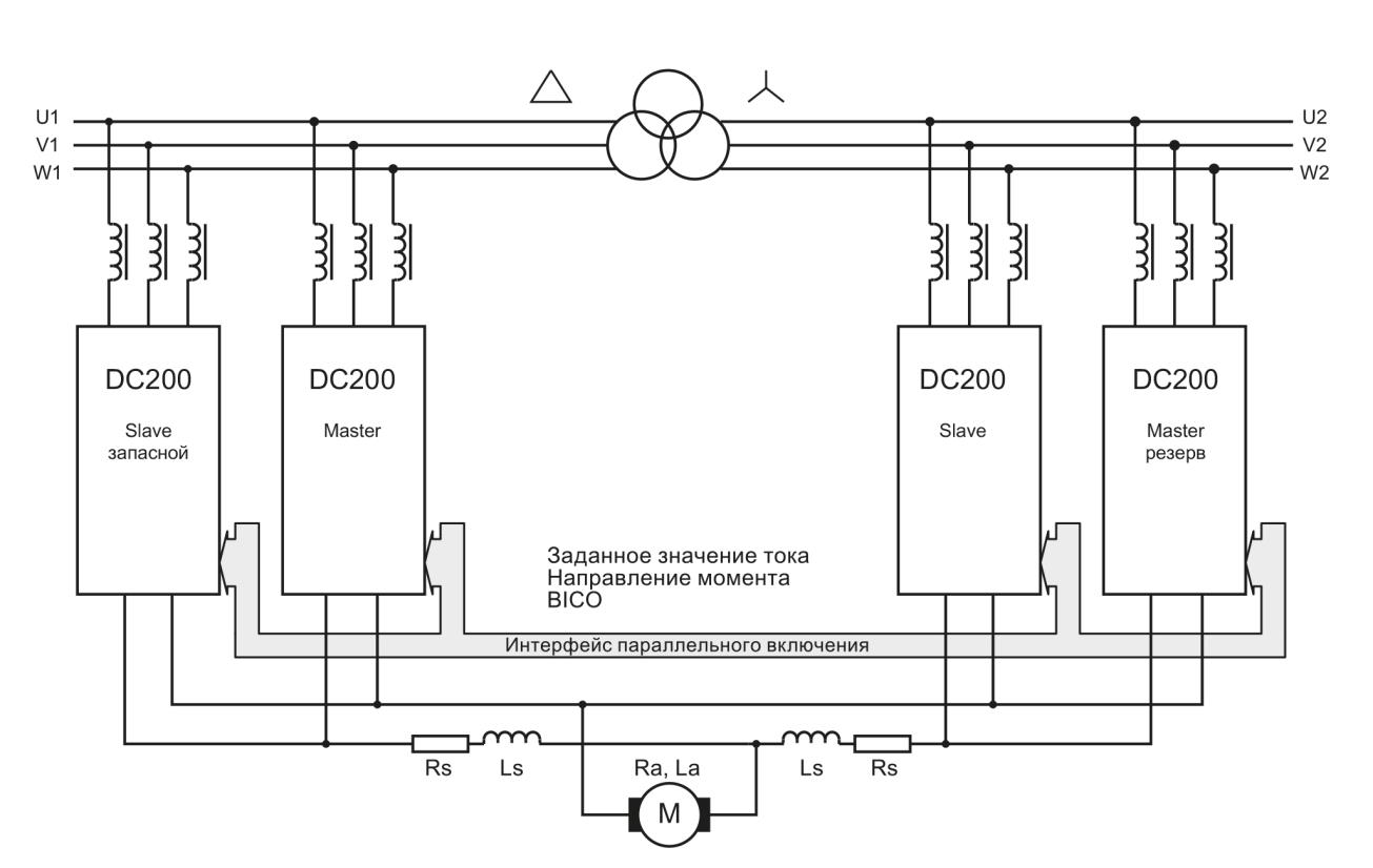
Модернизация существующих аналоговых приводов постоянного тока без замены силовой части

6

Полный набор функций и интерфейсов современного цифрового привода постоянного тока

Поддерживаемые протоколы связи
Приводы постоянного тока TG Drive DC200
Опции
G00
Расширенная CUD слева
G10
Стандартная CUD справа
G11
Расширенная CUD справа
G20
Коммуникационная плата PROFINET CBE20 слева
G21
Коммуникационная плата PROFINET CBE20 справа
S01
Карта памяти слева
S02
Карта памяти справа
L11
Силовая часть цепи возбуждения 2Q
L10
Без силовой части цепи возбуждения
L05
Питание блока электроники для подключения к 24 В DC
L04
Питание якорной цепи со сверхнизким напряжением 10…50 В
L20
Привод без вентилятора
M10
Никелированные медные шины
G63
Клеммная колодка для установки в шкаф
L15
Внешний датчик для температуры окружающей среды или температуры на входе
M08
Лакированные платы
S50
Управление переключением топологии силовой части для параллельных и последовательных соединений
DC
200 [1]
А1600 [2]
V400 [3]
Q2 [4]

200

60 — 3000 А для Q2

15 — 3000 А для Q4

Q2 – двухквадрантный режим
Q4 – четырехквадрантный режим